微通道反應器中乙醛酸的合成
乙醛酸是一種基本有機化工原料,是合成香料、醫藥、農藥等化學品的重要中間體,還廣泛應用于高聚物的制備過程中。目前,工業上生產乙醛酸的主要方法有硝酸氧化乙二醛法、草酸電解還原法以及臭氧氧化馬來酸酐法等。硝酸氧化乙二醛法的條件溫和、工藝簡單成熟、設備投資費用少,目前被國內大部分廠家所采用。由于乙醛酸極易被硝酸進一步氧化生成乙二酸,因此反應的關鍵在于精確控制反應進程、防止過度氧化。相對于傳統的反應釜而言,微反應器具有較好的傳質和傳熱效果,能夠實現對反應過程參數(溫度、壓力、流量、停留時間)的精確控制。使整個生產過程的生產效率得到提高,通過自控實現整體設備的穩定運行,大大增加了反應過程的安全性。
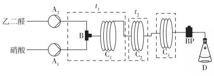
1 微反應器中乙醛酸的制備
實驗裝置如圖1所示,硝酸和乙二醛按照摩爾比0.85:1分別通過泵1、泵2泵入微反應器,采用分段控溫的方式進行實驗,在t1溫度下,乙二醛與硝酸在反應器中混合并反應,在t2溫度下混合液在微通道中繼續反應;然后反應在10~15℃下于微通道外接一段盤管中淬滅,反應液經過背壓閥進入收集瓶中,得到產品待分析。

圖1 微通道反應器
2 溫度的影響
當硝酸(35%)與乙二醛(40%)摩爾比為0.85:1,乙二醛流速(Q1)為4.7 mL/min、硝酸流速(Q2)為5.3 mL /min。總停留時間為4min54s,其中t1段停留時間為54s,t2段停留時間為4min。背壓閥壓力為0.5MPa時,溫度對轉化率及選擇性的影響如表所示。圖2為保持t2溫度為40℃,考察t1溫度的影響因素。圖3為控制t1溫度為80℃,考察t2溫度的影響因素。

圖2 t1溫度的影響因素

圖3 t2溫度的影響因素
由圖2、圖3可以得出:當t1由40℃升高到90℃時,轉化率由15%升高到95%,選擇性由20%升高到58%,然后又降低到45%。原因可能是溫度較低時,反應速率較慢僅有少量的乙二醛被硝酸氧化,隨著溫度的升高,反應逐漸被引發,因此轉化率和選擇性都升高; 但當溫度由80℃繼續升高,此時生成物會繼續被氧化成草酸,因此選擇性降低; 當t1 = 40℃時,溫度較低,乙二醛被氧化引發較困難,且乙二醛易聚合,易形成較多的自聚物,因此選擇性較低。當t2由20℃升高到50℃時,轉化率由70%升高到90%,選擇性由42%升高到60%,然后降低到40%。分析其原因可能是反應在t1溫度下已經被引發,在t2溫度下,乙二醛繼續參與反應,因此轉化率升高; 當t2由20℃升高到40℃時,由于聚合的乙二醛在t1溫度下預熱一段時間,已有部分開始解聚,處于t2溫度下時,雖然溫度較低,但是解聚反應不能立即停止此時解聚速率大于聚合速率,因此選擇性逐漸增加,當t2由40℃繼續升高時,促進了乙醛酸向草酸轉化,故選擇性降低。因此,在下一步實驗中選擇t1 = 80℃、t2 = 40℃。
3 壓力的影響
在硝酸氧化乙二醛的過程中會有NO產生,有研究表明體系中NO的存在對乙二醛的氧化起促進作用,即NO與硝酸反應生成亞硝酸,然后亞硝酸與乙二醛反應生成乙醛酸。在有氣體起促進作用的條件下,壓力對反應也起了很大的促進作用。圖4表示壓力對反應的轉化率和選擇性的影響。此圖表明,當壓力升高時,反應的轉化率與選擇性均升高,這是由于在壓力較小時,體系內的混合效果差,且體系不穩定。但是當壓力持續增大時生成的NO與乙醛酸分離困難,當乙醛酸與硝酸接觸混合時,生成的亞硝酸直接與乙醛酸反應,使得體系內與乙二醛接觸的亞硝酸的含量減少,反應速率降低,故轉化率與選擇性同時降低。故壓力1.0MPa為反應過程中的最佳選擇。

圖4 壓力對反應過程的影響
4 加料方式的影響
此工藝的難點是要防止乙二醛的過氧化,因此除了溫度、壓力等傳統反應器必須考慮的影響因素之外,還可以考慮采用分段進料的方式。如果初始進料量過少,則反應速率較低,反應時間延長; 若初始進料量過多,則乙醛酸容易被氧化,易導致選擇性降低。在使用微通道反應器實現連續化的過程中,首先將硝酸與乙二醛的摩爾比由0.3:1在第一塊反應片進料,接著在第三片反應片補加0.12mol的硝酸,通過此種方式是反應的轉化率與選擇性均達到70%以上,而且,相對于傳統的釜式工藝相比降低了整個反應過程中硝酸的用量,減少了后處理壓力。
5 結論
此類硝酸氧化的反應有大量熱放出,而且在反應過程中很容易有過氧化的產物產生。由于微通道反應器具有很好的傳至與傳熱效果,能夠實驗對反應條件的精確控制。因此在傳統反應釜中溫度不易控制或者由于返混的原因導致反應的選擇性低的反應類型可通過微通道反應器中分段控溫以及分段進料的方式來達到較好的實驗結果。相對于傳統的釜式反應,微通道反應器的優勢主要體現于:
①實驗對反應條件(溫度、壓力、流量)的精確控制。
②雙面換熱,對于放熱量大的化學反應類型有較大的優勢。
③連續流反應器,沒有返混,增加反應的選擇性。
④占地面積小,能夠實驗化工廠實驗室化。
- 上一條PDMS薄膜:旋涂PDMS層的厚度
- 下一條汶顥股份:連續流反應器
